Product Summary
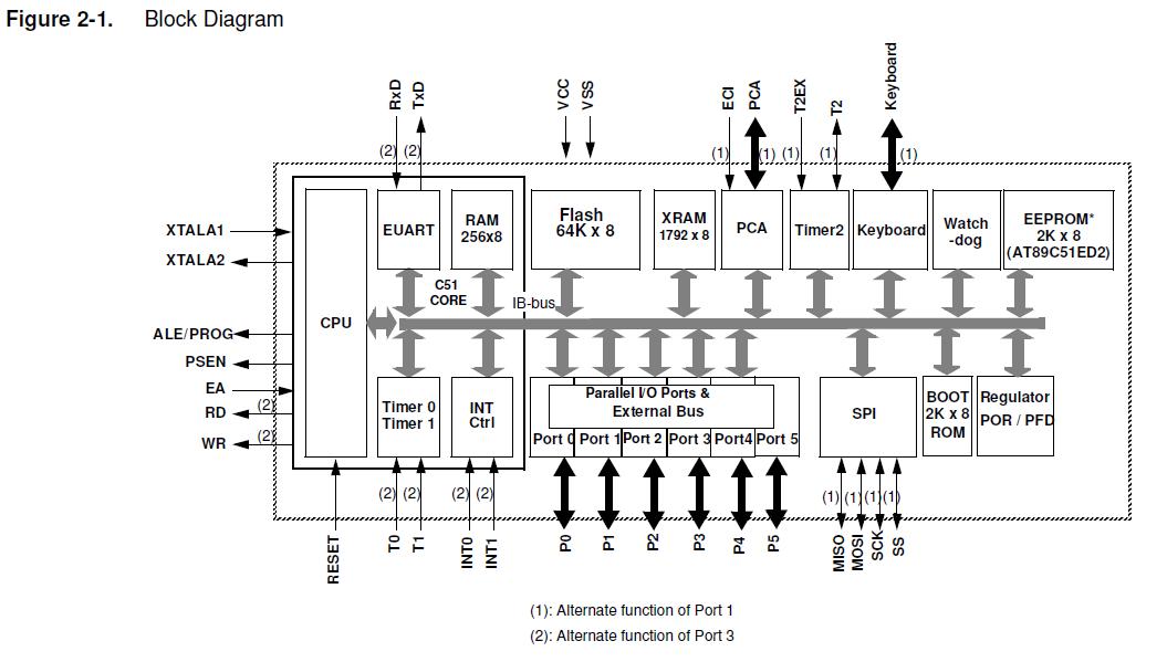
The AT89C51ED2-RDTUM is a high performance CMOS Flash version of the 80C51 CMOS single chip 8-bit microcontroller. It contains a 64-Kbyte Flash memory block for code and for data. The AT89C51ED2-RDTUM 64-Kbytes Flash memory can be programmed either in parallel mode or in serial mode with the ISP capability or with software. The programming voltage is internally generated from the standard VCC pin. The AT89C51ED2-RDTUM retains all of the features of the Atmel 80C52 with 256 bytes of internal RAM, a 9-source 4-level interrupt controller and three timer/counters. The device provides 2048 bytes of EEPROM for nonvolatile data storage. The AT89C51ED2-RDTUM has a Programmable Counter Array, an XRAM of 1792 bytes, a Hardware Watchdog Timer, SPI interface, Keyboard, a more versatile serial channel that facilitates multiprocessor communication (EUART) and a speed improvement mechanism (X2 Mode).
Parametrics
AT89C51ED2-RDTUM absolute maximum ratings: (1)I = industrial: -40 to 85℃; (2)Storage Temperature: -65 to + 150℃; (3)Voltage on VCC to VSS:-0.5V to + 6.5V; (4) Voltage on Any Pin to VSS: -0.5V to VCC + 0.5V; (5) Power Dissipation: 1 W.
Features
AT89C51ED2-RDTUM features: (1)8051 Instruction Compatible; (2)Six 8-bit I/O Ports (64 Pins or 68 Pins Versions); (3)Four 8-bit I/O Ports (44 Pins Version); (4)Three 16-bit Timer/Counters; (5)256 Bytes Scratch Pad RAM; (6)9 Interrupt Sources with 4 Priority Levels; (7)Integrated Power Monitor (POR/PFD) to Supervise Internal Power Supply; (8)ISP (In-System Programming) Using Standard VCC Power Supply; (9)2048 Bytes Boot ROM Contains Low Level Flash Programming Routines and a Default Serial Loader; (10)On-chip 2048 Bytes EEPROM Block for Data Storage; (11)100K Write Cycles; (12)Dual Data Pointer; (13)Variable Length MOVX for Slow RAM/Peripherals; (14)Improved X2 Mode with Independent Selection for CPU and Each Peripheral; (15)Keyboard Interrupt Interface on Port 1; (16)SPI Interface (Master/Slave Mode); (17)8-bit Clock Prescaler.
Diagrams

| Image | Part No | Mfg | Description | ![]() |
Pricing (USD) |
Quantity | ||||||
|---|---|---|---|---|---|---|---|---|---|---|---|---|
![]() |
![]() AT89C51ED2-RDTUM |
![]() Atmel |
![]() 8-bit Microcontrollers (MCU) 64kB Flash 2048B RAM 2.7V-5.5V |
![]() Data Sheet |
![]()
|
|
||||||
| Image | Part No | Mfg | Description | ![]() |
Pricing (USD) |
Quantity | ||||||
![]() |
![]() AT8934 |
![]() TE Connectivity |
![]() General Purpose / Industrial Relays SEALED R RELAY |
![]() Data Sheet |
![]()
|
|
||||||
![]() |
![]() AT8985P |
![]() Other |
![]() |
![]() Data Sheet |
![]() Negotiable |
|
||||||
![]() |
![]() AT8989UP |
![]() Other |
![]() |
![]() Data Sheet |
![]() Negotiable |
|
||||||
![]() |
![]() AT8992-A2-T-1 |
![]() |
![]() IC SWITCH PHY 64-TQFP |
![]() Data Sheet |
![]() Negotiable |
|
||||||
![]() |
![]() AT8992M-A2-T-1 |
![]() |
![]() IC SWITCH PHY 100-MQFP |
![]() Data Sheet |
![]() Negotiable |
|
||||||
![]() |
![]() AT8993-A2-T-1 |
![]() |
![]() IC SWITCH PHY 100-MQFP |
![]() Data Sheet |
![]() Negotiable |
|
||||||
(China (Mainland))










