Product Summary
The HFBR-2531Z is a fiber optic link component for applications requiring a low cost solution. The HFBR-2531Z includes transmitters, receivers, connec tors and cable specified for easy design. The HFBR-2531Z is ideal for solving problems with voltage isolation/insula tion, EMI/RFI immunity or data security. The optical link design is simpli fied by the logic compat ible receivers and complete specifi-cations for each component. The applications of the HFBR-2531Z include Reduction of lightning/volt age transient susceptibility, Motor controller triggering, Data communications and local area networks, Electromagnetic Compatibility (EMC) for regulated systems: FCC, VDE, CSA, etc, Tempest-secure data processing equipment, Isolation in test and measurement instruments, Error free signalling for industrial and manufacturing equipment, Automotive communica tions and control networks and Noise immune communica tion in audio and video equipment.
Parametrics
HFBR-2531Z absolute maximum ratings: (1)Storage Temperature, TS:–40 to +85℃; (2)Operating Temperature, TA: –40 to +85℃; (3)Lead Soldering Cycle, Temp: 260℃; Time: 10 sec; (4)Forward Input Current, IFPK: 1000mA; IFdc: 80mA; (5)Reverse Input Voltage, VBR: 5 V.
Features
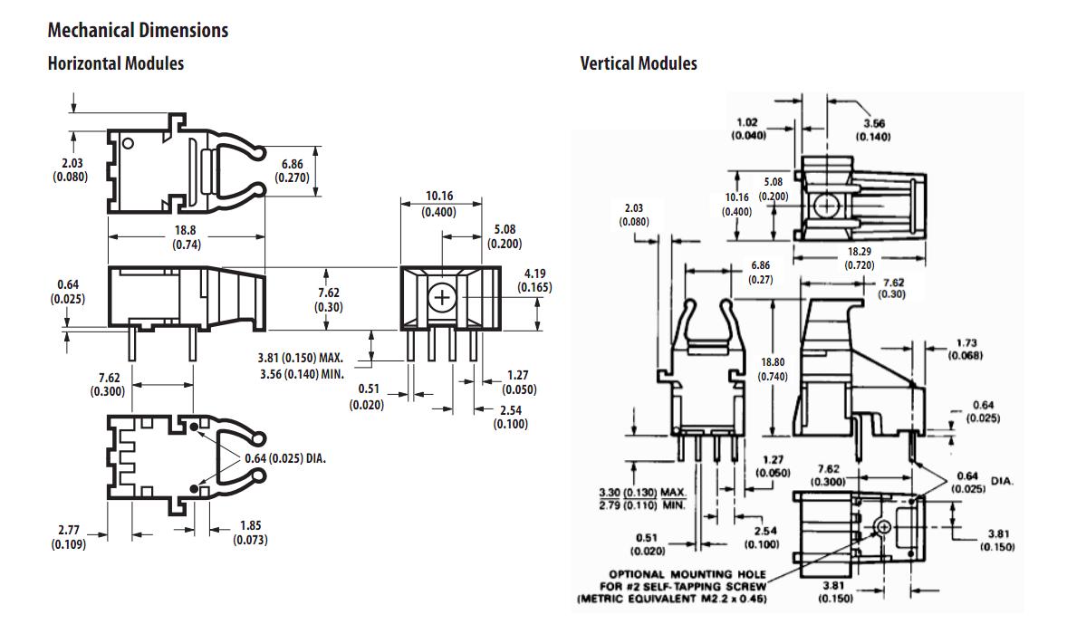
HFBR-2531Z features: (1)RoHS-compliant; (2)Low cost fiber optic components; (3)Enhanced digital links: dc-5 MBd; (4)Extended distance links up to 120 m at 40 kBd; (5)Low current link: 6 mA peak supply current; (6)Horizontal and vertical mounting; (7)Interlocking feature; (8)High noise immunity; (9)Easy connectoring: simplex, duplex, and latching connectors; (10)Flame retardant; (11)Transmitters incorporate a 660 nm red LED for easy visibility; (12)Compatible with standard TTL circuitry.
Diagrams

| Image | Part No | Mfg | Description | ![]()  | 
                            Pricing (USD)  | 
                            Quantity | ||||||||||||
|---|---|---|---|---|---|---|---|---|---|---|---|---|---|---|---|---|---|---|
![]()  | 
                            ![]() HFBR-2531Z  | 
                            ![]() Avago Technologies  | 
                            ![]() Fiber Optic Transmitters, Receivers, Transceivers V-LINK VERTICAL 5MBd RCVR RoHS  | 
                            ![]() Data Sheet  | 
                            ![]() 
  | 
                            
                            	 | 
                      ||||||||||||
| Image | Part No | Mfg | Description | ![]()  | 
                            Pricing (USD)  | 
                            Quantity | ||||||||||||
![]()  | 
                            ![]() HFBR-0310  | 
                            ![]() Avago Technologies  | 
                            ![]() Fiber Optic Development Tools 155 MBd Txcvr Evaluation Kit  | 
                            ![]() Data Sheet  | 
                            ![]() Negotiable  | 
                            
                            	 | 
                      ||||||||||||
![]()  | 
                            ![]() HFBR-0310Z  | 
                            ![]() Avago Technologies  | 
                            ![]() Fiber Optic Development Tools 125MBd 1300nm Evaluation Kit  | 
                            ![]() Data Sheet  | 
                            ![]() 
  | 
                            
                            	 | 
                      ||||||||||||
![]()  | 
                            ![]() HFBR-0319  | 
                            ![]() Avago Technologies  | 
                            ![]() Fiber Optic Development Tools 1X9 Fiber Optic Evaluation Kit  | 
                            ![]() Data Sheet  | 
                            ![]() 
  | 
                            
                            	 | 
                      ||||||||||||
![]()  | 
                            ![]() HFBR-0400  | 
                            ![]() Avago Technologies  | 
                            ![]() Fiber Optic Development Tools SMA Fiber Optic Evaluation Kit  | 
                            ![]() Data Sheet  | 
                            ![]() Negotiable  | 
                            
                            	 | 
                      ||||||||||||
![]()  | 
                            ![]() HFBR-0410  | 
                            ![]() Avago Technologies  | 
                            ![]() Fiber Optic Development Tools ST Fiber Optic Evaluation Kit  | 
                            ![]() Data Sheet  | 
                            ![]() Negotiable  | 
                            
                            	 | 
                      ||||||||||||
![]()  | 
                            ![]() HFBR-0410Z  | 
                            ![]() Avago Technologies  | 
                            ![]() Fiber Optic Development Tools DC-5MBd 820nm Evaluation Kit  | 
                            ![]() Data Sheet  | 
                            ![]() 
  | 
                            
                            	 | 
                      ||||||||||||
 (China (Mainland)) 
                         
                        
                                    







