Product Summary
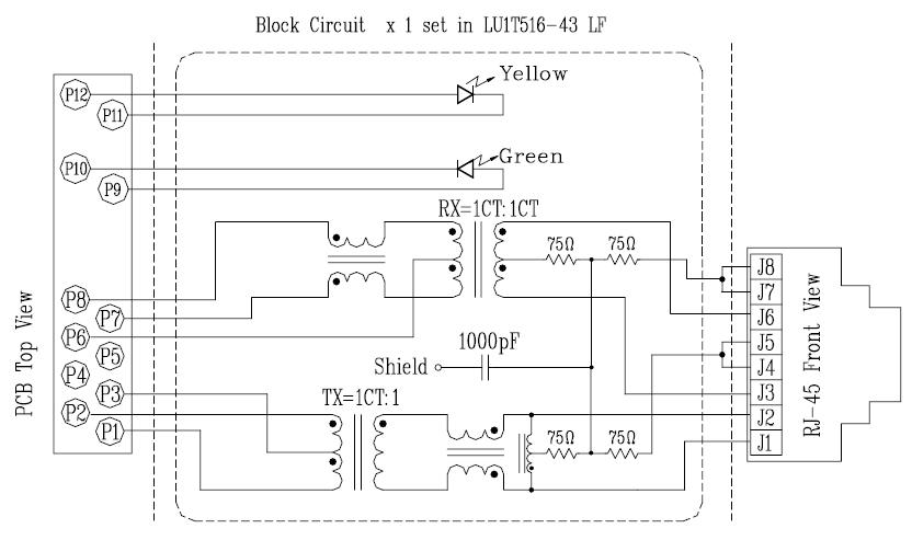
The LU1T516-43LF is a single RJ45 connector with 10/100 base-tx magnetics and leds.
Parametrics
LU1T516-43LF absolute maximum ratings: (1)OCL (uH Min)@ 100KHz/0.1V with 8mA DC Bias: 350uH; (2)CW/W (pF Max): 28pF; (3)L.L (uH Max): 0.4uH; (4)Insertion Loss(dB Max), 0.3-100MHz: -1.15dB; (5)HI-POT (Vrms): 1500V.
Features
LU1T516-43LF features: (1)RJ-45 connector integrated with X’FMR /Impedance resistor/High voltage capacitor; (2)Size same as RJ-45 connector to save PCB Board space; (3)Reduce EMI radiation, Improve EMI performance; (4)Design for 100 BASE transmission over UTP-5 cable; (5)Comply with RoHS requirements-whole part No Cd, No Hg, No Cr6+, No PBB and PBDE and No Pb on external pins; (6)Operating temperature range: 0℃ to +70℃; (7)Storage temperature range: -25℃ to +85℃; (8)Recommended panel.
Diagrams

(China (Mainland))






