Product Summary
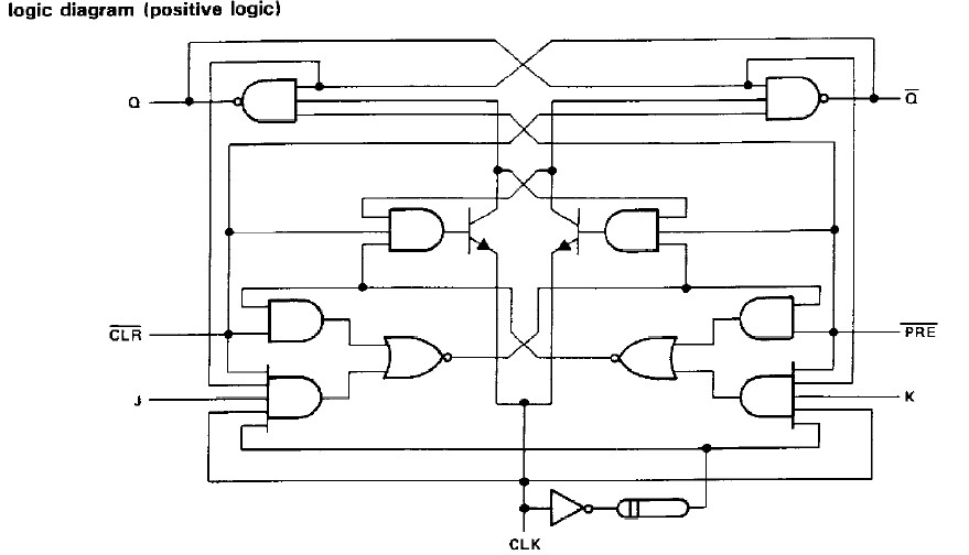
The SN54111J is a kind of d-c coupled, variable- skew, J-K flip-flop which utilize TTL circuitry to obtain 25-MHz performance typically. The SN54111J is termed Variable-skew because they allow the maximum dock skew in a system to be a direct function oi the clock pulse width. The J and K inputs are enabled to accept data oniy during a short period (30 nanoseconds maximum hoEd time) starting with, and immediately following the rising edge of the clock puJse. After this, inputs may be changed while the clock is at the high level without affecting the state of the master. At the threshold level of the falling edge of the clock pulser the data stored in the master will be transferred to the output. The effective allowable dock skew then fs minimum propagation delay time minus hold time, plus dock pulse width. This means that the system designer can set the maximum allowable clock skew needed by varying the clock pulse width.
Parametrics
SN54111J absolute maximum ratings: (1)Supply voltage, Vcc: 7 V; (2)Input voltage: 5.5 V; (3)Operating free-air temperature range: -55℃ to 125℃; (4)Storage temperature range: -65℃ to 150℃.
Features
SN54111J features: (1)Package Options Include Plastic and Ceramic DIPs and Ceramic Flat Packages; (2)Dependable Texas Instruments Quality and Reliability.
Diagrams

![]() |
![]() SN54 |
![]() Apex Tool Group (Formerly Cooper Tools) |
![]() Pliers & Tweezers Xcelite 5" Cutter Side Cut Long Nose |
![]() Data Sheet |
![]()
|
|
||||||
![]() |
![]() SN54/74LS147 |
![]() Other |
![]() |
![]() Data Sheet |
![]() Negotiable |
|
||||||
![]() |
![]() SN54/74LS155 |
![]() Other |
![]() |
![]() Data Sheet |
![]() Negotiable |
|
||||||
![]() |
![]() SN54/74LS156 |
![]() Other |
![]() |
![]() Data Sheet |
![]() Negotiable |
|
||||||
![]() |
![]() SN54/74LS160A |
![]() Other |
![]() |
![]() Data Sheet |
![]() Negotiable |
|
||||||
![]() |
![]() SN54/74LS161A |
![]() Other |
![]() |
![]() Data Sheet |
![]() Negotiable |
|
||||||
(China (Mainland))









