Product Summary
The SN54S20J is a dual 4-input positive-nand gate. The device contains two independent 4-input NAND gates. The SN54S20J is characterized for operation over the full military range of -55℃ to 125℃. The SN54S20J is characterized for opertion from 0℃ to 70℃.
Parametrics
SN54S20J absolute maximum ratings: (1)Supply voltage, VCC: 7V; (2)Input voltage: 5.5V; (3)Operating free-air temperature range: -55℃ to 125℃; (4)Storage temperature range: -65℃ to 150℃.
Features
SN54S20J features: (1)Package options include plastic "small outline" packages.Ceramic chip carriers and flat packages, and plastic and ceramic DIPs; (2)Dependable texas instruments quality and reliability.
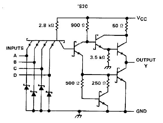
Diagrams

![]() |
![]() SN54 |
![]() Apex Tool Group (Formerly Cooper Tools) |
![]() Pliers & Tweezers Xcelite 5" Cutter Side Cut Long Nose |
![]() Data Sheet |
![]()
|
|
||||||
![]() |
![]() SN54/74LS147 |
![]() Other |
![]() |
![]() Data Sheet |
![]() Negotiable |
|
||||||
![]() |
![]() SN54/74LS155 |
![]() Other |
![]() |
![]() Data Sheet |
![]() Negotiable |
|
||||||
![]() |
![]() SN54/74LS156 |
![]() Other |
![]() |
![]() Data Sheet |
![]() Negotiable |
|
||||||
![]() |
![]() SN54/74LS160A |
![]() Other |
![]() |
![]() Data Sheet |
![]() Negotiable |
|
||||||
![]() |
![]() SN54/74LS161A |
![]() Other |
![]() |
![]() Data Sheet |
![]() Negotiable |
|
||||||
(China (Mainland))









