Product Summary
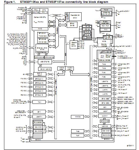
The STM32F107VCT6 is an ARM-based 32-bit MCU. The STM32F107VCT6 incorporates the high-performance ARM Cortex-M3 32-bit RISC core operating at a 72 MHz frequency, high-speed embedded memories (Flash memory up to 256 Kbytes and SRAM up to 64 Kbytes), and an extensive range of enhanced I/Os and peripherals connected to two APB buses. The STM32F107VCT6 operates in the -40℃ to +105℃ temperature range, from a 2.0 to 3.6 V power supply. A comprehensive set of power-saving mode allows the design of low-power applications.
Parametrics
STM32F107VCT6 absolute maximum ratings: (1)External main supply voltage (including VDDA and VDD):-0.3V to 4.0V; (2)Input voltage on five volt tolerant pin:VSS-0.3V to +5.5V; (3)Input voltage on any other pin:VSS-0.3V to VDD+0.3V; (4)Variations between different VDD power pins:50mV; (5)Variations between all the different ground pins:50mV.
Features
STM32F107VCT6 features: (1)72 MHz maximum frequency, 1.25 DMIPS/MHz (Dhrystone 2.1) performance at 0 wait state memory access; (2)Single-cycle multiplication and hardware division; (3)64 to 256 Kbytes of Flash memory; (4)up to 64 Kbytes of general-purpose SRAM; (5)2.0 to 3.6 V application supply and I/Os ; (6)POR, PDR, and programmable voltage detector (PVD); (7)3-to-25 MHz crystal oscillator; (8)Internal 8 MHz factory-trimmed RC; (9)Internal 40 kHz RC with calibration; (10)32 kHz oscillator for RTC with calibration; (11)Sleep, Stop and Standby modes; (12)VBAT supply for RTC and backup registers; (13)Conversion range: 0 to 3.6 V; (14)Sample and hold capability; (15)Temperature sensor; (16)up to 2 MSPS in interleaved mode; (17)2 × 12-bit D/A converters; (18)DMA: 12-channel DMA controller; (19)Up to four 16-bit timers, each with up to 4 IC/OC/PWM or pulse counter and quadrature (incremental) encoder input; (20)1 × 16-bit motor control PWM timer with dead-time generation and emergency stop; (21)2 × watchdog timers (Independent and Window) SysTick timer: a 24-bit downcounter; (22)2 × 16-bit basic timers to drive the DAC.
Diagrams

| Image | Part No | Mfg | Description | ![]() |
Pricing (USD) |
Quantity | ||||||||||||
|---|---|---|---|---|---|---|---|---|---|---|---|---|---|---|---|---|---|---|
![]() |
![]() STM32F107VCT6 |
![]() STMicroelectronics |
![]() ARM Microcontrollers (MCU) 32BIT Cortex 64/25 CONNECTIVITY LINE M3 |
![]() Data Sheet |
![]()
|
|
||||||||||||
![]() |
![]() STM32F107VCT6TR |
![]() STMicroelectronics |
![]() ARM Microcontrollers (MCU) STM32F105 Conn Line M3 256kB 72 MHz MCU |
![]() Data Sheet |
![]()
|
|
||||||||||||
(China (Mainland))










