Product Summary
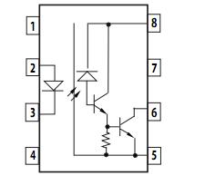
The 6N140A is a single, dual, and quad channel, hermetically sealed optocoupler. The 6N140A is capable of operation and storage over the full military temperature range and can be purchased as either standard product or with full MIL-PRF-38534 Class Level H or K testing or from the appro priate DSCC Drawing. The applications of the 6N140A are Military and aerospace, High reliability systems, Telephone ring detection, Microprocessor system interface, Transportation, medical, and life critical systems, Isolated input line receiver, EIA RS-232-C line receiver, Voltage level shifting, Isolated input line receiver, Isolated output line driver, Logic ground isolation, Harsh industrial environments, Current loop receiver, System test equipment isolation, Process control input/output isolation.
Parametrics
6N140A absolute maximum ratings: (1)Storage Temperature:-65 to +150℃; (2)Operating Temperature:-55 to +125℃; (3)Case Temperature:+170℃; (4)Junction Temperature:+175℃; (5)Lead Solder Temperature:260℃ for 10 sec; (6)Output Current (each channel):40mA; (7)Output Voltage (each channel): -0.5 to 20V; (8)Supply Voltage:-0.5 to 20V; (9)Output Power Dissipation (each channel):50mW; (10)Peak Input Current (each channel, <1 ms duration):20mA; (11)Average Input Current (each channel):10mA; (12)Reverse Input Voltage (each channel):5V; (13)Package Power Dissipation (each channel):200mW.
Features
6N140A features: (1)Dual marked with device part number and DSCC drawing number; (2)Manufactured and tested on a MIL-PRF-38534 Certifed Line; (3)QML-38534, Class H and K; (4)Five hermetically sealed package confgurations; (5)Performance guaranteed over full military temperature range: -55℃ to +125℃; (6)Low input current requirement: 0.5 mA; (7)High current transfer ratio: 1500% typical @ IF= 0.5 mA; (8)Low output saturation voltage: 0.11 V typical; (9)1500 Vdc withstand test voltage; (10)High radiation immunity; (11)6N138/9, HCPL-2730/31 function compatibility; (12)Reliability data.
Diagrams

| Image | Part No | Mfg | Description | ![]() |
Pricing (USD) |
Quantity | ||||||||||
|---|---|---|---|---|---|---|---|---|---|---|---|---|---|---|---|---|
![]() |
![]() 6N140A |
![]() Avago Technologies |
![]() Logic Output Optocouplers 4Ch 1500%CTR Hermetically sealed |
![]() Data Sheet |
![]()
|
|
||||||||||
![]() |
![]() 6N140A#200 |
![]() Avago Technologies |
![]() Logic Output Optocouplers 4Ch 1500%CTR Hermetically sealed |
![]() Data Sheet |
![]()
|
|
||||||||||
![]() |
![]() 6N140A#300 |
![]() Avago Technologies |
![]() Logic Output Optocouplers 4Ch 1500%CTR Hermetically sealed |
![]() Data Sheet |
![]()
|
|
||||||||||
![]() |
![]() 6N140A/883B |
![]() Avago Technologies |
![]() Logic Output Optocouplers 4Ch 1500%CTR Hermetically sealed |
![]() Data Sheet |
![]()
|
|
||||||||||
![]() |
![]() 6N140A/883B#100 |
![]() Avago Technologies |
![]() Logic Output Optocouplers 4Ch 1500%CTR Hermetically sealed |
![]() Data Sheet |
![]()
|
|
||||||||||
![]() |
![]() 6N140A/883B#200 |
![]() Avago Technologies |
![]() Logic Output Optocouplers 4Ch 1500%CTR Hermetically sealed |
![]() Data Sheet |
![]()
|
|
||||||||||
![]() |
![]() 6N140A/883B#300 |
![]() Avago Technologies |
![]() Logic Output Optocouplers 4Ch 1500%CTR Hermetically sealed |
![]() Data Sheet |
![]()
|
|
||||||||||
![]() |
![]() 6N140A/883B#600 |
![]() Avago Technologies |
![]() Logic Output Optocouplers 4Ch 1500%CTR Hermetically sealed |
![]() Data Sheet |
![]()
|
|
||||||||||
(China (Mainland))










