Product Summary
The EDENESP7000 VIA Eden Embedded System Platform Processor (VIA Eden ESP for short) is based upon a unique internal architecture and is manufactured using advanced 0.15μ / 0.13μ CMOS technology. The VIA Eden ESP architecture and companion chips provide a highly compatible, high-performance, low-cost, and low-power solution for the embedded, min-notebook, embedded, and Internet Appliance markets. The EDENESP7000 is available in several operating frequencies. When considered individually, the compatibility, function, performance, cost, and power dissipation of the VEDENESP7000 are all very competitive. Furthermore, the value added from the advanced EBGA packaging includes remarkable compactness, cost efficiency and excellent thermal characteristics.
Parametrics
EDENESP7000 absolute maximum ratings: (1)Storage Temperature: -65 to 150℃; (2)Supply Voltage (VCC): -0.5 to 1.7 V; (3)CMOS I/O Voltage: -0.5 to VCMOS +0.5 V; (4)I/O Voltage: -0.5 to VTT +0.5 V.
Features
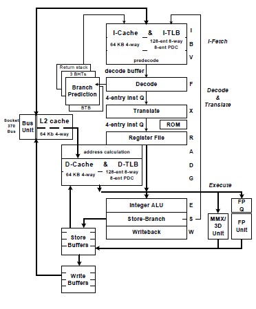
EDENESP7000 features: (1)Extremely low power dissipation for fanless operation; (2)A proprietary Enhanced Ball Grid Array (EBGA) package that shares with Socket 370 processors features such as bus protocol and electrical interface; (3)Seamlessly software compatible with the thousands of available x86 software applications; (4)MMX-compatible instructions for enhanced media performance; (5)AMD-compatible 3DNow! Instructions (Model 7); (6)SSE-compatible instructions (Model 9); (7)Two large (64-KB each, 4-way) on-chip Level 1 caches (2-way in Model 9 Stepping 8 and higher); (8)64-KB Level 2 victim cache; (9)Two large TLBs (128 entries each, 8-way) with two page directory caches; (10)Unique and sophisticated branch prediction mechanisms; (11)Branch Target Address Cache with 1k entries each identifying 2 branches (Model 9); (12)Bus speeds up to 133 MHz; (13)Very small die 52 mm2 in TSMC 0.15μ for Model 7; (14)Very small die 52 mm2 in TSMC 0.13μ for Model 9 (47 mm2 for Stepping 8 and higher); (15)Compact and economical EBGA packaging with excellent thermal dissipation characteristics.
Diagrams

(China (Mainland))






